Nowa seria silników 200-N
Z przyjemnością ogłaszamy wprowadzenie na rynek nowej serii silników o wielkości mechanicznej200. Nowe rozwiązanie oferuje kilka kluczowych udoskonaleń przy zachowaniu tej samej wydajności.
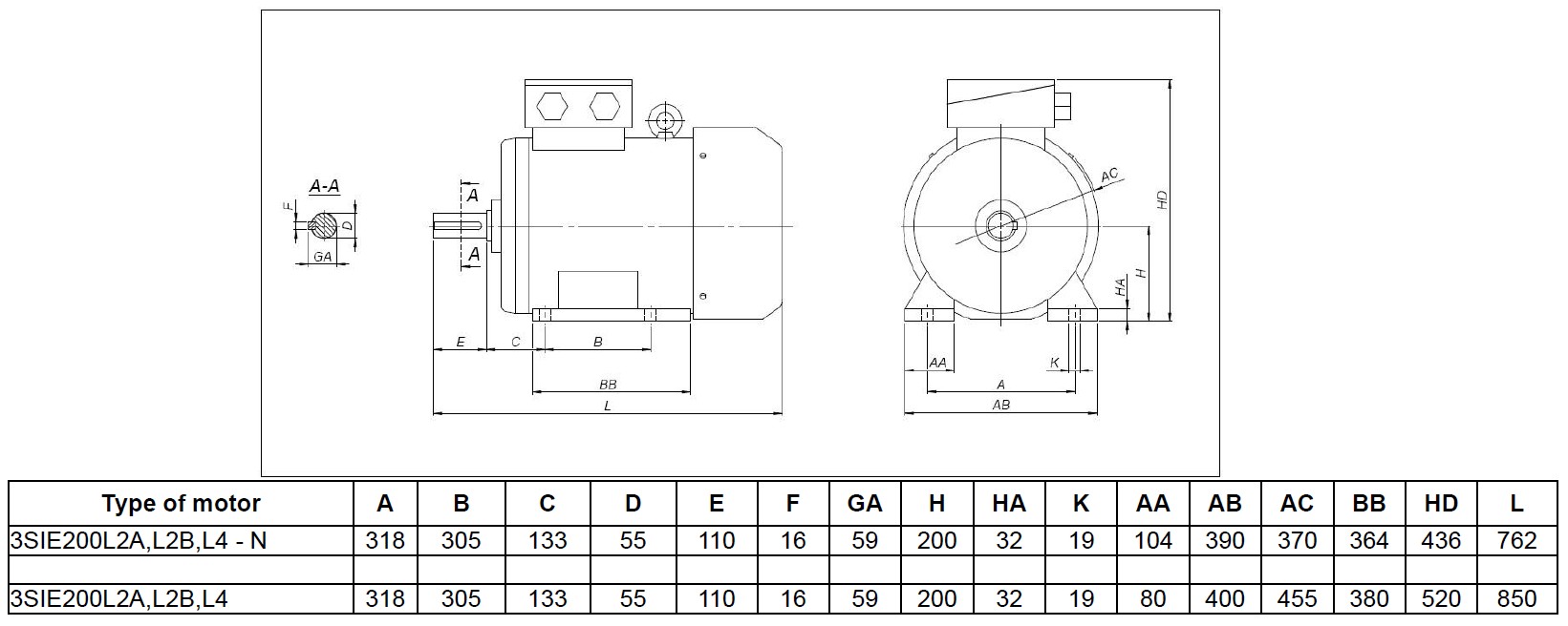
Porównanie silników w.m. 200
Nowa seria 3SIE200L-N vs obecnie produkowana 3SIE200L
Cechy charakterystyczne – porównanie
Nowa konstrukcja silników 3SIE200-N to przede wszystkim silniki zoptymalizowane pod kątem długości i masy w stosunku do aktualniej produkowanej serii 3SIE200.
|
Cechy charakterystyczne – porównanie |
|
|
Nowa seria ( -N) |
Obecna seria |
|
Nowa zunifikowana średnica zewnętrzna blach stojana dla wielkości mechanicznej 3SIE180-N i 3SIE200L-N |
Ta sama średnica blach stojana stosowana od kilkudziesięciu lat w silnikach w.m. 200 |
|
Silniki z łożyskami zamkniętymi bez dosmarowania 2Z lub 2RS (na życzenie możliwość wykonania silników z łożyskami otwartymi – z dosmarowaniem) |
Silniki z łożyskami otwartymi z dosmarowaniem (łożyska zamknięte na życzenie) |
|
Kadłub uniwersalny używany również w nowej wersji silnika wielkości 180-N |
Kadłub stosowany tylko w aktualnie produkowanej wielkości mechanicznej 200 |
|
Unifikacja komponentów po stronie przeciwnapędowej (osłona przewietrznika, przewietrznik, tarcza ND) dla wielkości mechanicznej 3SIE180-N i 3SIE200-N |
|
|
Możliwość obracania łap po zakończeniu etapu produkcji (w zakresie użytkownika) |
Brak możliwości obracania łap po zakończeniu etapu produkcji (przeróbka możliwa tylko na etapie produkcji silnika) |
|
Możliwość przeróbki do wielkości mechanicznej 180 (wymiana łap, tarczy napędowej i wirnika/wałka) |
|
Nowa seria 3SIE200L2A,L2B,L4-N Obecna seria 3SIE200L2A,L2B,L4

